Xolar- сонячні електростанції під ключ
Є питання по товару?
Актуальність ціни та наявність уточняти в менеджера*

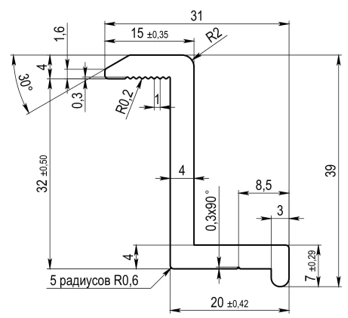
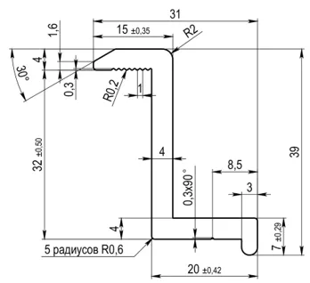
Притиск кінцевий кріплення модулів з профілем 30мм

30.00 грн.
В наявності
Висота30 мм
Довжина прижимної шапки11.8 мм
Довжина прижиму: 40 мм
Товщина рами фотомодуля, для якого застосовується прижим30 мм
Товщина прижиму4 мм
Тип прижимуКрайній універсальний
Матеріал виготовленняАнодований алюміній
Діаметр отвору9 мм
Інформація про товар

Притискач кінцевого кріплення модулів із профілем 30 мм.

Прижим торцевий алюмінієвий. Використовується для фіксації крайніх фотомодулів, товщиною 40мм, в ряді на монтажному профіль 21х41х21 або 41х41х41.

Прижим кріпить з допомогою стандартного болта та спец. гайкою 18х37 М8.

Вам може сподобатись
Сонячна панель Longi Solar LR5-72HTH-585M
Оригінальна ціна: 4,536.00 грн..Поточна ціна: 4,085.00 грн..
Під замовлення
Притискач міжпанельний (двосторонній), міжпанельна відстань 24 мм
46.00 грн.
В наявності
Кабель для сонячних панелей KBE 6 мм²
70.00 грн.
В наявності

Є питання? Зателефонуйте, напишіть у месенджер чи заповніть форму