Xolar- сонячні електростанції під ключ
Є питання по товару?
Актуальність ціни та наявність уточняти в менеджера*

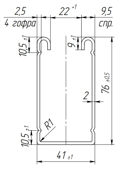
Профіль монтажний оцинкований для кріплення сонячних панелей 76х41х2,0 Solar Цинк-275 мг/м^2

360.00 грн.
В наявності
ПрокатХолоднокатаный
Оцинковування275 , мг/м2

ПерфораціяПрисутня

*Ціна вказана за 1 м. пог.

Інформація про товар

Оцинкований монтажний профіль 76х41×2,0 мм для кріплення сонячних панелей – надійний і стійкий елемент вашого сонячного проекту. З цим профілем ви отримаєте не лише високу якість, але й довговічність завдяки сумарній масі цинку не менше 275 г/м^2.

Основні характеристики:
– Розміри: 76x41x2,0 мм
– Матеріал: S350GD
– Цинкове покриття: 275 г/м^2

Цей монтажний профіль виготовлений з S350GD та має цинкове покриття, що гарантує його стійкість до корозії та надійність протягом тривалого періоду експлуатації.

Профіль 76х41×2,0 ідеально підходить для кріплення сонячних панелей та забезпечення їх стабільності в будь-яких умовах.

Вам може сподобатись
Сонячна панель Longi Solar LR5-72HTH-585M
Оригінальна ціна: 4,536.00 грн..Поточна ціна: 4,085.00 грн..
Під замовлення
Мережевий інвертор Huawei SUN2000-100KTL-M2
Оригінальна ціна: 245,850.00 грн..Поточна ціна: 236,500.00 грн..
В наявності
Кабель для сонячних панелей KBE 6 мм²
70.00 грн.
В наявності

Є питання? Зателефонуйте, напишіть у месенджер чи заповніть форму